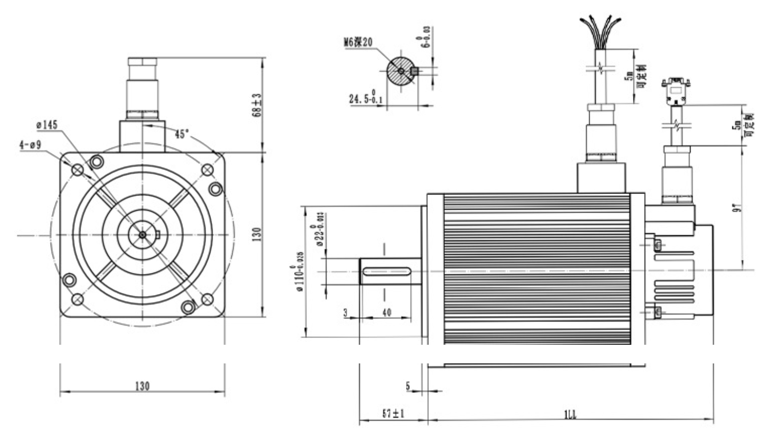
获防爆认证,适配气尘防爆场景,外壳防腐蚀,防护等级达 IP65/IP67。
扭矩强劲(部分型号达 15Nm),多为大扭矩低转速,适配重载工况。
定位检测精准,搭配高分辨率编码器,控制精度高。
抗振性强,运行低噪低温升,维护便捷且兼容性好
| 电压 |
电机型号 |
额定功率 kW |
额定转矩 N.m |
额定转速 rpm |
额定电流 A |
转动惯量 10^Kg.m² |
长度 LL (mm) |
带刹车长度 LL (mm) |
重量 kg |
| AC380V |
130ZP100C |
1 |
4 |
2500 |
2.5 |
8.5 |
246 |
246 |
6.7 |
| AC380V |
130ZP150A |
1.5 |
6 |
2500 |
4 |
12.6 |
261 |
261 |
10.5 |
| AC380V |
130ZP150A(1) |
1.5 |
10 |
1500 |
4 |
19.4 |
291 |
291 |
10.5 |
| AC380V |
130ZP260C |
2.6 |
10 |
2500 |
6.5 |
19.4 |
291 |
291 |
10.5 |
| AC380V |
130ZP230A |
2.3 |
15 |
1500 |
6 |
27.7 |
319 |
319 |
12.8 |
| AC380V |
130ZP380C |
3.8 |
15 |
2500 |
8 |
27.7 |
319 |
319 |
12.8 |
| AC220V |
130ZP100C |
1 |
4 |
2500 |
4 |
8.5 |
246 |
246 |
6.7 |
| AC220V |
130ZP150A |
1.5 |
6 |
2500 |
6 |
12.6 |
261 |
261 |
10.5 |
| AC220V |
130ZP150A(1) |
1.5 |
10 |
1500 |
6 |
19.4 |
291 |
291 |
10.5 |
| AC220V |
130ZP260C |
2.6 |
10 |
2500 |
10 |
19.4 |
291 |
291 |
12.8 |
| AC220V |
130ZP230A |
2.3 |
15 |
1500 |
9.5 |
27.7 |
319 |
319 |
12.8 |
| AC220V |
130ZP380C |
3.8 |
15 |
2500 |
13.5 |
27.7 |
319 |
319 |
10.5 |
| DC96V |
130ZP150A |
1.5 |
6 |
2500 |
20 |
12.6 |
261 |
261 |
10.5 |
| DC96V |
130ZP260C |
2.6 |
10 |
2500 |
26 |
19.4 |
291 |
291 |
10.5 |
| DC96V |
130ZP380C |
3.8 |
15 |
2500 |
45 |
3.8 |
319 |
319 |
12.8 |
| DC48V |
130ZP150A |
1.5 |
6 |
2500 |
40 |
24.5 |
261 |
261 |
8 |
| DC48V |
130ZP260C |
2.6 |
10 |
2500 |
52 |
42.4 |
291 |
291 |
10.5 |
| DC48V |
130ZP380C |
3.8 |
15 |
2500 |
90 |
3.8 |
319 |
319 |
12.8 |